|
|
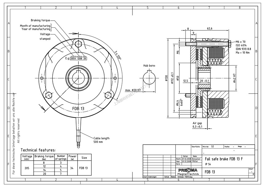
上海磐屿公司作为面向全球发展的德国普瑞玛电磁制动器的重要合作销售商之一 德国PRECIMA公司介绍 成立于1981年的德国PRECIMA公司是设计,研发和生产制造电磁制动器离合器专业工厂。我们将德国的先进技术工艺和产品与国内传动运用领域相结合,现已成功遍及国内许多行业,尤其适用于风力发电、港口机械,起重设备、印刷机械、建筑机械、舞台机械、电梯等行业。 ● 我们所有产品均通过CE和cCSAus认证还有ABS船级社认证,UL认证等等。 FDD舞台专用双倍制动器扭矩可高达1200Nm, FDB低噪音电梯专用制动器,噪音可小于50分贝。 FDW全封闭制动器(变桨制动器和偏航制动器),防护等级达到IP66可用于风力发电行业
|
